P0499 GMC Sierra Evaporative Emission System Vent Valve
2025-12-16
In this blog, I’ll focus on the p0499 GMC trouble code also known as po499, which is closely related to the Evaporative Emission (EVAP) System. I’ll start by explaining the basics of the EVAP system, including its working principle and key components. Then, I’ll break down common EVAP system faults linked to p0499 GMC, along with diagnostic and repair tips.
Whether you’re dealing with p0499 gmc sierra or p0499 gmc acadia, this guide covers everything you need to know, from identifying issues with the Evaporative Emission System Vent Valve to final repair verification.
Whether you’re dealing with p0499 gmc sierra or p0499 gmc acadia, this guide covers everything you need to know, from identifying issues with the Evaporative Emission System Vent Valve to final repair verification.
Understanding the EVAP System: Basics & Core Function
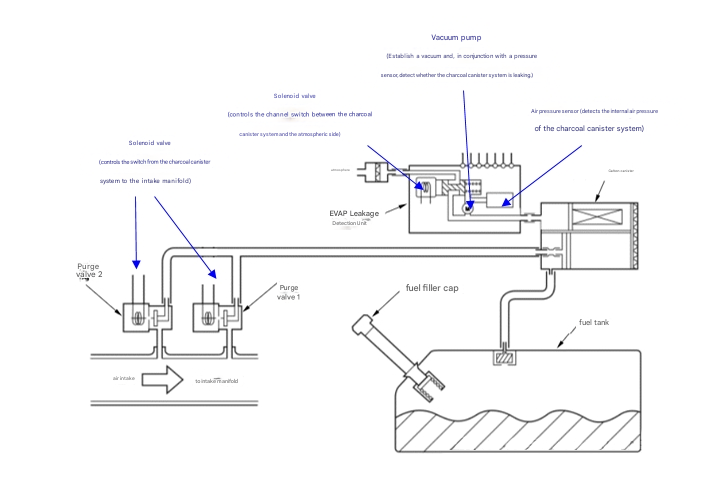
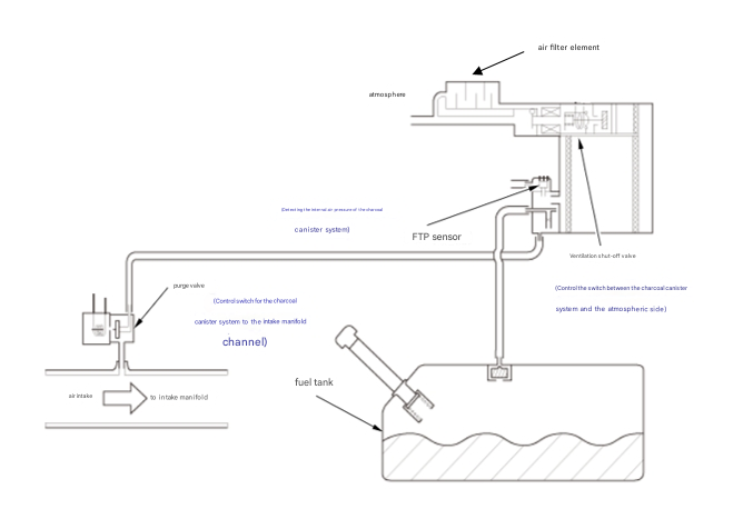
The Evaporative Emission (EVAP) Control System is designed to minimize fuel vapors released into the atmosphere. Fuel vapors from the fuel tank are temporarily stored in the EVAP charcoal canister until they’re purged at which point the vapors are drawn from the canister into the engine for combustion.
To purge the EVAP charcoal canister, fresh air is injected into it, and then the mixture of air and fuel vapors is directed to the intake manifold port. The purge vacuum is controlled by the EVAP canister purge valve, a critical component that often relates to p0499 GMC issues, especially in models like the GMC Sierra and Acadia.
To purge the EVAP charcoal canister, fresh air is injected into it, and then the mixture of air and fuel vapors is directed to the intake manifold port. The purge vacuum is controlled by the EVAP canister purge valve, a critical component that often relates to p0499 GMC issues, especially in models like the GMC Sierra and Acadia.
System Working Principle & Key Components
1 Core Working Principle
When fuel tank pressure increases due to heat and fuel vapor generation, the evaporated fuel vapors are transferred to the EVAP charcoal canister. Once the engine coolant reaches a sufficient temperature, the Powertrain Control Module (PCM) opens the EVAP canister purge valve to draw the fuel vapors stored in the canister into the intake manifold for combustion. To regulate the amount of fuel vapors entering the engine, the PCM adjusts the opening of the EVAP canister purge valve through duty cycle control.
The PCM commands one purge valve to open; once the duty cycle reaches 100%, it commands a second purge valve to open to increase fuel vapor flow. When the inside of the fuel tank cools down (due to external air or other factors), the tank pressure decreases. When energized, the canister switch valve in the EVAP Leak Check Module (ELCM) is normally open, allowing external air to flow in and out of the EVAP canister. The PCM uses the EVAP Leak Check Module to inspect for system leaks, a process that’s vital for diagnosing p0499 GMC and po499 codes.

2 EVAP Leak Check Module (ELCM)
The EVAP Leak Check Module is a small vacuum pump used to check for EVAP system leaks and create a vacuum in the system. The EVAP Leak Check Module pressure sensor, canister switch valve, and EVAP Leak Check Module vacuum pump are located inside the ELCM. The canister switch valve is normally open when energized when open, it allows air to enter and exit the EVAP canister; when energized, it seals the EVAP canister side of the system. Malfunctions in this module can often trigger p0499 GMC, particularly in p0499 GMC Sierra and p0499 GMC Acadia models.

3 Systems with vs. Without EVAP Leak Check Module
It’s important to note the difference between GMC models equipped with an EVAP Leak Check Module and those without. Models with the module (like many modern Sierra and Acadia variants) rely on it for leak detection, while older models without the module use alternative methods. This distinction matters when troubleshooting p0499 GMC, as the diagnostic steps can vary slightly depending on the system configuration.


Common Faults, Diagnosis & Repairs
1 Minor Leak Faults
Fault Symptoms
The check engine light illuminates on the dashboard, and the diagnostic scanner displays minor leak codes these are common precursors to or companions of p0499 GMC issues, as even small leaks can disrupt EVAP system function, including the Evaporative Emission System Vent Valve.
Possible Leak Locations
Loose, aged, or damaged pipeline connections; insufficiently closed purge solenoid valve or vent solenoid valve (such as the Evaporative Emission System Vent Valve); and damaged charcoal canister body (often caused by impacts). For p0499 gmc acadia and p0499 gmc sierra owners, checking these areas is a key first step.
Diagnosis & Repair Key Points
Core method: Segment by segment inspection with a vacuum gauge. Check all pipelines, connections, and fuel cap tightness/sealability. Visually inspect the charcoal canister body for damage. This method is highly effective for locating minor leaks that may contribute to p0499 GMC or po499 codes.

Partial Cases

One common case I encountered was a p0499 gmc sierra where a loose fuel cap gasket caused a minor leak, disrupting the EVAP system’s pressure balance. Replacing the fuel cap and rechecking the connections resolved the issue. Another case involved a cracked vacuum line near the Evaporative Emission System Vent Valve in a p0499 gmc acadia repairing the line eliminated the leak and cleared the code.
2 Intake Flow Faults
Fault Symptoms
May be accompanied by unstable engine operation, lack of power, and related intake flow or EVAP control fault codes (including p0499 GMC). These symptoms occur because disrupted air flow affects the EVAP system’s ability to purge fuel vapors properly, impacting engine performance.
Possible Causes
Air filter issues: Severe contamination or water ingress (impeding air circulation); charcoal canister issues: Internal carbon powder caking or water ingress (affecting vapor and air flow); EVAP Leak Check Module malfunctions (e.g., faulty vent valve specifically the Evaporative Emission System Vent Valve failing to open/close properly, blocking air flow); air pressure sensor malfunctions (distorted signals leading to PCM misjudgment); vacuum pump malfunctions (inability to establish or maintain the vacuum required for testing). These are all common triggers for p0499 GMC across various GMC models.
Diagnosis & Repair Key Points
Inspect and replace contaminated or water damaged air filters; check the charcoal canister status and replace if necessary; test the function of the vent solenoid valve (opening/closing action and sealability) this is critical for addressing issues with the Evaporative Emission System Vent Valve linked to p0499 GMC; check the air pressure sensor signal and wiring; test the vacuum pump function (if applicable).

Partial Cases

A p0499 GMC Acadia owner reported engine hesitation and a check engine light. Diagnosis revealed a water damaged charcoal canister that was restricting air flow. Replacing the canister and testing the Evaporative Emission System Vent Valve (which was also slightly stuck) resolved both the performance issues and the p0499 code. Another case with a p0499 gmc sierra involved a severely clogged air filter. Replacing the filter restored proper air flow and cleared the fault.
3 Other Electrical Faults
Fault Symptoms
Electrical fault codes related to solenoids, sensors, or pumps these can directly trigger p0499 GMC, as the EVAP system relies on electrical signals to control components like the Evaporative Emission System Vent Valve and purge valve.
Possible Causes
Purge solenoid valve circuit faults (open circuit/short circuit/abnormal resistance); vent solenoid valve (Evaporative Emission System Vent Valve) circuit faults; air pressure sensor circuit faults; vacuum pump circuit faults; issues with related wiring harnesses or connectors. For p0499 GMC troubleshooting, electrical checks are often overlooked but crucial.
Diagnosis & Repair Key Points
Use a diagnostic scanner to read fault codes and data streams; measure the resistance, power supply, ground, and signal lines of related components (including the Evaporative Emission System Vent Valve); perform component action tests (if applicable); inspect wiring harnesses and connectors for damage, corrosion, or loose connections.
Partial Cases

A p0499 GMC Sierra had an open circuit in the Evaporative Emission System Vent Valve wiring. Repairing the damaged wire and securing the connector cleared the electrical fault and the P0499 code. Another case involved a corroded connector on the purge solenoid valve in a p0499 GMC Acadia. Cleaning the connector and applying anti corrosion treatment resolved the issue.
Repair Summary & Notes
From my experience troubleshooting p0499 GMC, po499, and related EVAP issues in models like the GMC Sierra and Acadia, here are key takeaways:
- Always follow the repair manual procedures strictly this ensures accurate diagnosis and avoids damaging components like the Evaporative Emission System Vent Valve or EVAP Leak Check Module.
- Re emphasize the criticality of the vacuum gauge inspection method for leak diagnosis, it’s the most reliable way to locate minor leaks that cause p0499 GMC.
- Use OEM or certified parts, especially for components like the Evaporative Emission System Vent Valve and charcoal canister. Aftermarket parts may not fit properly or last as long, leading to recurring p0499 codes.
- After repairs, clear the fault codes with a diagnostic scanner and perform a road test to verify the fix. This ensures that the EVAP system is functioning correctly and that the p0499 GMC code does not reappear.
If you’re dealing with p0499 GMC, whether it’s a p0499 GMC Sierra, p0499 GMC Acadia, or another GMC model, focus on the Evaporative Emission System Vent Valve, EVAP canister, and related hoses and electrical connections first.
These are the most common sources of the issue. If you’re not comfortable with DIY diagnostics, consult a GMC specialized technician to avoid misdiagnosis and unnecessary part replacements.
These are the most common sources of the issue. If you’re not comfortable with DIY diagnostics, consult a GMC specialized technician to avoid misdiagnosis and unnecessary part replacements.